WEBER.Sortiment

Dichtungstechnik

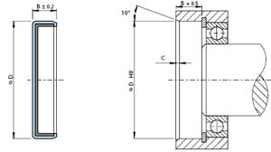
Verschlusskappen

Verschlusskappen werden in Bohrungen an Wellenein- und Ausgängen eingesetzt. Ebenso können damit auch Serviceöffnungen zuverlässig verschlossen werden. Die Wellenschutzhülse dient als Lauffläche für Radial-Wellendichtringe. Sie besteht aus einem dünnwandigen, zylindrischen Rohr mit einem Montageflansch. Der Flansch hat eine Sollbruchstelle und kann – falls hinderlich – abgetrennt werden

Kontaktieren Sie uns!

Jetzt Produkt anfragen oder benötigen Sie eine Beratung? Kontaktieren Sie uns noch heute!

schnell, persönlich + online

Schicken Sie uns eine E-Mail und wir werden uns umgehend bei Ihnen melden.

Rufen Sie uns an und unser Team wird Ihnen bei Ihren Anfragen behilflich sein.

Besuchen Sie unsere Webshops und registrieren Sie sich.